EN

產品類別

所有產品類別

產品專區 Products Catagory

產品名稱 SS-23F05-KDRR

產品規格

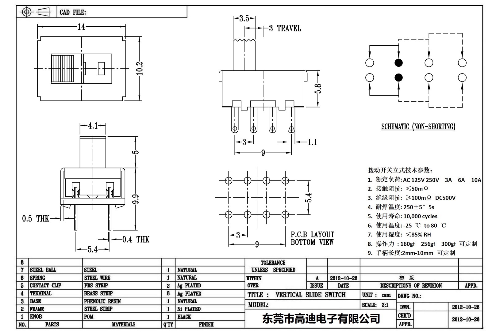
SS-23F05-KDRR(图1)

大电流拨动开关技术参数:

1. 额定负荷: AC 125V 250V  3A  6A  10A          

2.  接触阻抗: 50mΩ

3. 绝缘阻抗: 100mΩ DC500V               

4.  耐焊温度: 250±5°5s

5. 使用寿命: 10,000 cycles                 

6.  使用温度: -25 to 80

7. 使用湿度: 85% RH                       

8.  操作力 : 160gf  256gf  300gf 可定制

9. 手柄长度:2mm-10mm 可定制

 

High-current toggle switch/high-power sliding switch Technical parameters:

1. Rated load: AC 125V 250V 3A 6A 10A

2. Contact impedance: 50mΩ

3. Insulation resistance: 100mΩ DC500V

4. Soldering resistance temperature: 250±5°5s

5. Service life: 10,000 cycles

6. Operating temperature: -25 to 80

7. Operating humidity: 85% RH

8. Operating force: 160gf 256gf 300gf can be customized

9. Handle length: 2mm-10mm can be customized