EN

產品類別

所有產品類別

產品專區 Products Catagory

產品名稱 SS-13F08-KDDR

產品規格

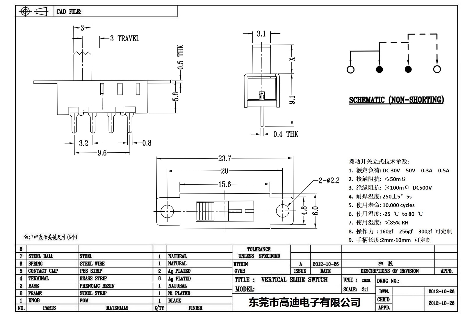
SS-13F08-KDDR(图1)

立式滑动开关 /拨动开关正拨技术参数:

1. 额定负荷: DC 30V  50V  0.3A  0.5A         

2. 接触阻抗: 50mΩ

3. 绝缘阻抗: 100mΩ DC500V             

4. 耐焊温度: 250±5°5s

5. 使用寿命: 10,000 cycles                

6. 使用温度: -25 to 80

7. 使用湿度: 85% RH                     

8. 操作力 : 160gf  256gf  300gf 可定制

9. 手柄长度:2mm-10mm 可定制

 

Vertical slide switch / toggle switch forward dial technical parameters:

1. Rated load: DC 30V 50V 0.3A 0.5A

2. Contact impedance: 50mΩ

3. Insulation resistance: 100mΩ DC500V

4. Soldering resistance temperature: 250±5°5s

5. Service life: 10,000 cycles

6. Operating temperature: -25 to 80

7. Operating humidity: 85% RH

8. Operating force: 160gf 256gf 300gf can be customized

9. Handle length: 2mm-10mm can be customized