EN

產品類別

所有產品類別

產品專區 Products Catagory

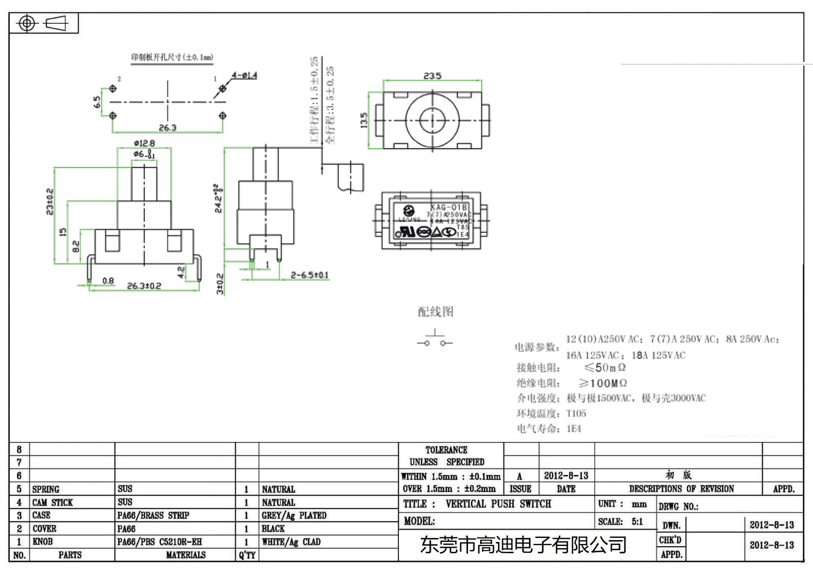
產品名稱 KAG-01B2

產品規格

KAG-01B2(图1)