EN

產品類別

所有產品類別

產品專區 Products Catagory

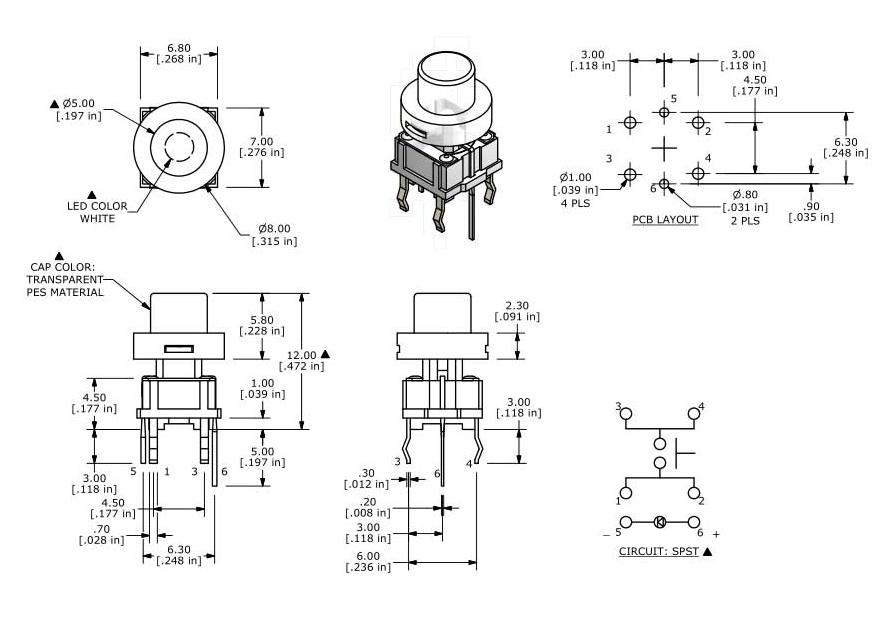
產品名稱 Tact-LED-206

產品規格

Tact-LED-206 (图1)

Tact-LED-206 (图2)

Tact-LED-206 (图3)

Tact-LED-206 (图4)